

安科瑞 周洁
ARD系列智能电动机保护器
一、产品简介
功能:
该系列低压电动机保护器,具有过载、断相、不平衡、欠载、接地/漏电、堵转等保护功能。可与接触器、电动机起动器等电器元件构成电动机控制保护单元,具有远程自动控制、现场直接控制、面板指示、信号报警、现场总线通信等功能。
应用范围:
可广泛应用于煤矿、石化、冶炼、电力、建筑等行业的配电领域。
订货范例:
具体型号:ARD3T K1 A25/C+60L
技术要求:电动机功率5.5KW;DI为无源节点,控制DO工作电压为220V;液晶显示。
通讯协议:双路RS485接口 Modbus/RTU协议
辅助电源:AC/DC220V
二、技术参数
数字式电动机保护器

模块式电动机保护器


三、产品选型
数字式电动机保护器

1、“■”为标配功能,“□”为选配功能。 2、选配失压起重(抗晃电)功能含电压和故障记录功能。
模块式电动机保护器
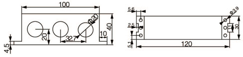
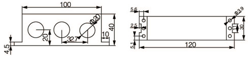
“■”为标配功能,“□”为选配功能。四、外形尺寸
● ARD2(L)电动机保护器
◆ 主体模块

◆ 互感器
0.1A~100A互感器

63A~250A互感器

250A~800A互感器

100A以下漏电流互感器

100A以上漏电流互感器

● ARD2F、ARD3电动机保护器
◆ 主体模块

◆ 显示单元

◆ 抗晃电模块

◆ AC380V电源模块

● ARD3T电动机保护器
◆ 主体模块

◆ 测量模块
电流测量模块

电流+电压测量模块

◆ 温度、模拟量、开关量模块

◆ 通讯模块

◆ 显示模块

◆ 外置电流互感器


◆ 漏电流互感器








公司联系方式
- 江苏安科瑞电器制造有限公司 [加为商友]

- 联系人周洁(女士) 销售工程师
- 地区江苏-无锡市
- 地址江苏省江阴市南闸镇东盟工业园区东盟路5号




